磁力聯軸器結構設計與價格
發表時間:2017年06月09日瀏覽量:10199
磁力聯軸器屬非接觸式聯軸器,,它一般由內外兩個磁體設計而成,中間由隔離罩將兩個磁體分開,內磁體與被傳動件相連,外磁體與動力件相連。磁力傳動聯軸器除了具有彈性聯軸器緩沖吸振的功能外,其最大的特點在于它打破傳統聯軸器的結構形式,采用全新的磁耦合原理,實現主動軸與從動軸之間不通過直接接觸便能進行力與力矩的傳遞,并可將動密封化為靜密封,實現零泄漏。因此它廣泛應用于對泄漏有特殊要求的場合。磁力聯軸器的型號規格也影響著磁力聯軸器的價格,一般的常規的磁力聯軸器價格在120元左右,成對銷售,較大的磁力聯軸器價格在165元。
磁滯聯軸器的扭矩計算方式:計算扭矩Tc可用下式求出:Tc=KT T=9550×Pw/n=7020×PH/n 式中T=理論扭矩N.mK---工作情況系數,通常1﹤K﹤5。Pw ---驅動功率;Kw; PH---驅動功率:馬力 n----轉速rpm
磁力聯軸器廠家
北京磁運達廠家主要致力于釹鐵硼磁性產品的生產與銷售,廠家專業于磁力傳動產品的設計研發和生產。公司有著先進的生產設備及技術,產品主要市場為大陸地區、臺灣及日韓。目前,公司設有蘇州辦事處和東莞辦事處用來服務華東地區和華南地區。
地址:北京市林河開發區順仁路54號
電話: 186 0124 2536
聯系人:張經理
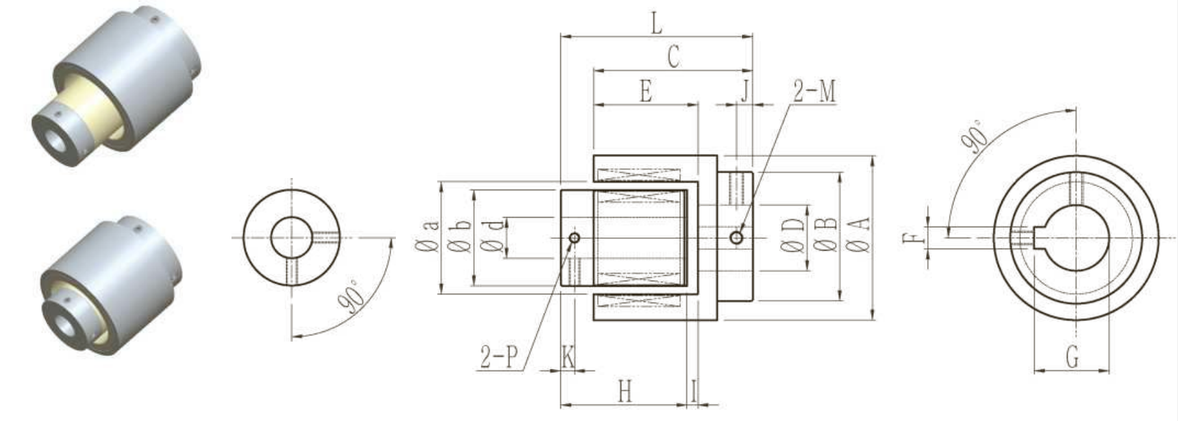
聯軸器內外磁體設計尺寸圖

| 型號 | ΦA | ΦB | C | ΦD | Φa | Φb | Φd | E | F | G | H | I | J | K | L | M | P | 扭矩N.m |
| CI045 | 45 | 38 | 50 | 19 | 33 | 27 | 12 | 32 | 6 | 21.8 | 38 | 4 | 5 | 4 | 60 | M4 | M3 | 2 |
| CI060 | 60 | 47 | 58 | 24 | 43 | 35 | 15 | 38 | 8 | 27.3 | 46 | 4 | 6 | 5 | 70 | M5 | M4 | 5.4 |
| CI080 | 80 | 58 | 65 | 28 | 58 | 48 | 20 | 40 | 8 | 31.3 | 49.5 | 5.5 | 7 | 6 | 80 | M6 | M5 | 11.5 |
| CI100 | 100 | 70 | 100 | 35 | 72 | 58 | 25 | 72 | 10 | 38.3 | 83 | 6 | 8.5 | 7 | 117 | M8 | M6 | 43.8 |
| CI120 | 120 | 70 | 105 | 35 | 86 | 70 | 30 | 72 | 10 | 38.3 | 86 | 6 | 8.5 | 7 | 125 | M8 | M8 | 84 |
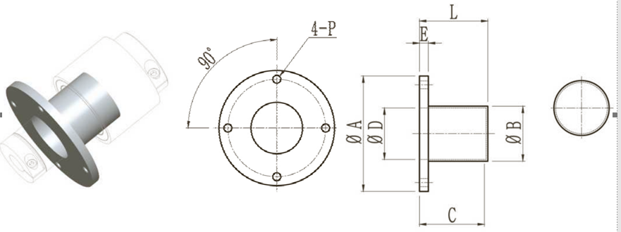
聯軸器隔離罩設計

| 型號 | ΦA | ΦB | C | ΦD | E | L | P |
| 配用CI045 | 65 | 31 | 37.5 | 29 | 5 | 38.5 | Φ4.5/P.C.D 55 |
| 配用CI060 | 90 | 40 | 46.5 | 38 | 6 | 47.5 | Φ5.5/P.C.D 77 |
| 配用CI080 | 115 | 55 | 49 | 51 | 8 | 51 | Φ6.6/P.C.D 99 |
| 配用CI100 | 142 | 68 | 84 | 62 | 10 | 84 | Φ8.6/P.C.D 122 |
| 配用CI120 | 165 | 82 | 86 | 74 | 10 | 88 | Φ8.6/P.C.D 145 |
以上標準品的使用溫度為80度,可以定做180度及300度,可以按客戶要求進行定做。


